Стандарт Энерго

400120, г. Волгоград, ул. Елабужская, д. 64

тел: +7 (8442) 98-98-83; +7 (917) 338-98-83

e-mail: standart-energo@mail.ru

 
 
О Компании
Документы
Каталог
Вопросы
Галерея
Сертификаты

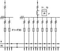
ВРУ1-43-00 УХЛ4

Тип ВРУ Принципиальная схема первичных соединений Элементы на схеме Блок управления освещением
обозначение наименование наличие Рисунок схемы
Распределительные панели
ВРУ1-43-00 УХЛ4 ВРУ1-43-00 УХЛ4 Т1-Т3
Р
F1-F30
Трансформаторы тока 100/5…300/5А
Счетчик ЦЭ6803 5А (учет абонентских нагрузок)
Предохранители ПН2-100А
Нет

 

Яндекс.Метрика