Стандарт Энерго

400120, г. Волгоград, ул. Елабужская, д. 64

тел: +7 (8442) 98-98-83; +7 (917) 338-98-83

e-mail: standart-energo@mail.ru

 
 
О Компании
Документы
Каталог
Вопросы
Галерея
Сертификаты

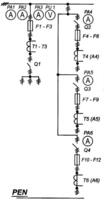
ЩО70-1-84У3 2200х1000х600

Тип панели Вид фасада Принципиальная схема первичных соединений Элементы на схеме Тип аппаратов
обозначение наименование
Вводно - линейные панели
ЩО70-1-84У3
2200х1000х600

АНАЛОГ
ЩО70-3-45У3
2000х1000х600
Низковольтные комплектные устройства Низковольтные комплектные устройства PA1-PA3
PA4-PA6
PU
F1-F3
F4-F12
T1-T3
T4-T6
Q1
Q2-Q4
Амперметры 600/5 А
Амперметры 200/5 А
Вольтметр 500В
Предохранители 600/5 А
>>250/5 А
Трансформаторы тока 600/5 А
>>250/5 А
Разъединитель 600А
Разъединители 250А
Э-377
Э-377
Э-377
ПН-2
ПН-2
Т-0-66
ТТИ
РЕ 19-41
РЕ 19-41

 

Яндекс.Метрика