Стандарт Энерго

400120, г. Волгоград, ул. Елабужская, д. 64

тел: +7 (8442) 98-98-83; +7 (917) 338-98-83

e-mail: standart-energo@mail.ru

 
 
О Компании
Документы
Каталог
Вопросы
Галерея
Сертификаты

ЩО70-1-13У3 ЩО70-2-13У3 2200х800х600

Тип панели Вид фасада Принципиальная схема первичных соединений Элементы на схеме Тип аппаратов
обозначение наименование
Линейные панели
ЩО70-1-13У3
ЩО70-2-13У3
2200х800х600

АНАЛОГ
ЩО70-3-05У3
2000х800х600
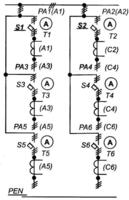
Низковольтные комплектные устройства Низковольтные комплектные устройства РА1-РА6
S1-S6
T1-T6
Амперметры 100/5 А
Автоматические выключатели 100 А
Трансформаторы тока 100/5 А
Э-377
ВА-51-35
ТТИ

 

Яндекс.Метрика