Стандарт Энерго

400120, г. Волгоград, ул. Елабужская, д. 64

тел: +7 (8442) 98-98-83; +7 (917) 338-98-83

e-mail: standart-energo@mail.ru

 
 
О Компании
Документы
Каталог
Вопросы
Галерея
Сертификаты

ЩО70-1-09У3, ЩО70-2-09У3, 2200x800x600

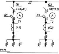
Тип панели Вид фасада Принципиальная схема первичных соединений Элементы на схеме Тип аппаратов
обозначение наименование
Линейные панели
ЩО70-1-09У3
ЩО70-2-09У3
2200х800х600

АНАЛОГ
ЩО70-3-07У3-3
2000х800х600
Низковольтные комплектные устройства Низковольтные комплектные устройства РА1, РА2
Q1, Q2
S1, S2
T1, T2
Амперметры 600/5 А
Разъединители 600 А
Автоматические выключатели 600 А
Трансформаторы тока 600/5 А
Э-377
ВА-51-39
Т-0-66-600/5

 

Яндекс.Метрика