Стандарт Энерго

400120, г. Волгоград, ул. Елабужская, д. 64

тел: +7 (8442) 98-98-83; +7 (917) 338-98-83

e-mail: standart-energo@mail.ru

 
 
О Компании
Документы
Каталог
Вопросы
Галерея
Сертификаты

ЩО70-1-07У3, ЩО70-2-07У3, 2200x800x600

Тип панели Вид фасада Принципиальная схема первичных соединений Элементы на схеме Тип аппаратов
обозначение наименование
Линейные панели
ЩО70-1-07У3
ЩО70-2-07У3
2200х800х600

АНАЛОГ
ЩО70-3-07У3
2000х800х600
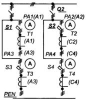
Низковольтные комплектные устройства Низковольтные комплектные устройства РА1-PA4
Q1-Q2
S1-S4
Т1-Т4
Амперметры 200/5 А
Разъединители 400 А
Автоматические выключатели 200 А
Трансформаторы тока 200/5 А
Э-377
РПС-4-450А
ВА51-35-200А
ТТИ

 

Яндекс.Метрика