- Описание — НКУ СП
 - Список устройств
 - Электроснабжение средних строек
 - Электроснабжение крупных строек
 - Электроснабжение малых строек
 
Электроснабжение крупных строек
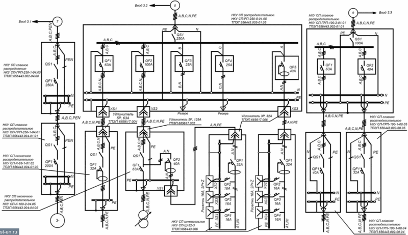
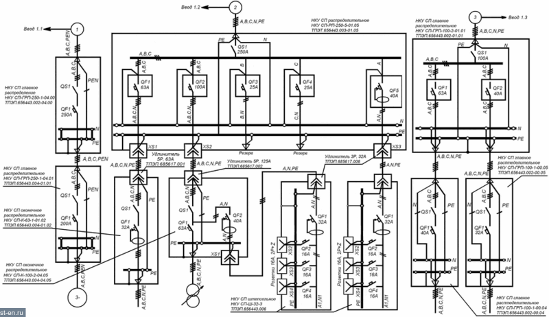
На рисунке приведён пример временного электроснабжения крупной стройки.
Ввод трёхфазного напряжения 3 х 380В, 50Гц на стройплощадку осуществляется через три канала ВВОД №1, ВВОД №2 и ВВОД №3. Потребление от питающей сети каждым из шести вводов этих каналов не более 400 А. В каждом из этих каналов ввод осуществляется с помощью двух НКУ СП ввода и измерения. Первый, НКУ СП-ВИ-400-1-19.01, чертёж ТПЭП.656443.001-19.01 формирует соответственно Ввод 1.1, Ввод 2,1 и Ввод 3.1. Второй, НКУ СП-ВИ-400-2-20.00, чертёж ТПЭП.656443. 001-20.00 формирует соответственно Ввод 1.2, Ввод 1.3, Ввод 2.2, Ввод 2.3, Ввод 3.2, Ввод 3.3.
К этим НКУ СП ввода и измерения подключаются НКУ СП, распределяющие электроэнергию по стройплощадке.
К Вводу 1.1, аналогично к Вводу 2.1 и Вводу 3.1, подключается НКУ СП главное распределительное с одним блоком вывода НКУ СП-ГРП-250-1-04.00, чертёж ТПЭП.656443,002-04.00. К блоку вывода этого НКУ СП подключается башенный кран стройплощадки через устанавливаемый рядом с ним стационарно НКУ СП главное распре делительное НКУ СП-ГРП-250-1-04.01, чертёж ТПЭП.656443.002-04.01.
К Вводу 1.2, аналогично к Вводу 2.2 и Вводу 3.2, подключается НКУ СП распределительное с пятью блоками вывода НКУ СП-РП-250-5-01.05, чертёж ТПЭП.656443.003-01.05. К первому блоку вывода этого НКУ СП через удлинитель подключается НКУ СП оконечное распределительное НКУ СП-К-63-1-01.02, чертёж ТПЭП.656443.004-01.02, обеспечивающее питание цепей внутреннего освещения. Ко второму блоку вывода через удлинитель подключается НКУ СП оконечное распределительное НКУ СП-К-100-2-04.05, чертёж ТПЭП.656443.004-04.05, обеспечивающее питание сварочного трансформатора и через удлинитель и НКУ СП штепсельное питание электроинструмента. Эти НКУ СП оконечные могут независимо перемещаться к различным технологическим точкам стройплощадки. Третий и четвёртый блоки вы вода — резерв. К пятому блоку вывода через удлинитель и переносное НКУ СП штепсельное подключается электроинструмент.
К Вводу 1.3, аналогично к Вводу 2.3 и Вводу 3.3, подключается НКУ СП главное распределительное с двумя блоками вывода НКУ СП-ГРП-100-2-01.01, чертёж ТПЭП.656443.002-01.01, к первому блоку вывода которого подключается бытовка через стационарно устанавливаемое НКУ СП главное распределительное НКУ СП-ГРП-100-1-00.04, чертёж ТПЭП.656443.002-00.04. Ко второму блоку вывода подключается сеть наружного освещения стройплощадки через стационарно устанавливаемое НКУ СП главное распределительное НКУ СП-ГРП-100-1-00.05, чертёж ТПЭП.656443.002-00.05.
В этой схеме питание цепей внутреннего освещения и электроинструмента выполнено на дифференциальных автоматах с устройством защитного отключения.
Питающая сеть выполнена четырёхпроводной, А, В, C+PEN. В каналах Ввод 1.1, Ввод 2.1 и Ввод 3.1 эта четырёхпроводная сеть проходит до схемы управления башенного крана. В остальных каналах эта сеть преобразуется в пятипроводную, A,B,C.N,PE.
Временное электроснабжение крупной стройки (сеть 3х380В, 50Гц, А,В,С+РЕN)
Схема однолинейная
| Мощность расчётная, кВт | 62,6 | 3,8 | 12,8 | 6,4 | 6,4 | 12 | 5 | 
| Расчётный ток, А | 135 | 7,6 | 56 | 32 | 32 | ||
| Наименование | Кран башенный | Освещение внутреннее | Трансформаторы сварочные | Электроинструмент | Бытовка | Освещение наружное | |
| Мощность расчётная, кВт | 62,6 | 3,8 | 12,8 | 6,4 | 6,4 | 12 | 5 | 
| Расчётный ток, А | 135 | 7,6 | 56 | 32 | 32 | ||
| Наименование | Кран башенный | Освещение внутреннее | Трансформаторы сварочные | Электроинструмент | Бытовка | Освещение наружное | |
| Мощность расчётная, кВт | 62,6 | 3,8 | 12,8 | 6,4 | 6,4 | 12 | 5 | 
| Расчётный ток, А | 135 | 7,6 | 56 | 32 | 32 | ||
| Наименование | Кран башенный | Освещение внутреннее | Трансформаторы сварочные | Электроинструмент | Бытовка | Освещение наружное | |

