- Описание — НКУ СП
 - Список устройств
 - Электроснабжение средних строек
 - Электроснабжение крупных строек
 - Электроснабжение малых строек
 
Электроснабжение малых строек
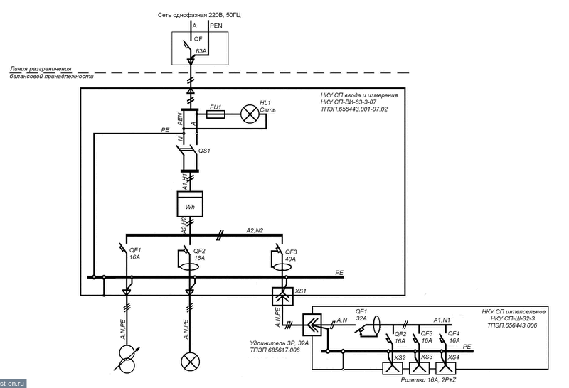
На рисунке ввод однофазного напряжения 220 В, 50 Гц на стройплощадку осуществляется с помощью НКУ СП ввода и измерения НКУ СП-ВИ-63-3-07.02, чертёж ТПЭП.656443.001-07.02. В этом НКУ СП предусмотрено три блока вывода. К первому блоку вывода подключается сварочный трансформатор, ко второму — осветительная сеть и к третьему — через удлинитель НКУ СП штепсельное НКУ СП-Ш-32-3, чертёж ТПЭП.656443,006, которое обеспечивает подключение электроинструмента в различных местах стройплощадки. Второй и третий блоки вывода НКУ СП ввода и измерения выполнены на дифференциальных автоматах с устройством защитного отключения. Провод PEN питающей сети в НКУ СП ввода и измерения разделяется на N и РЕ.
| Питающая сеть (однофазная, трёхфазная) | |||
| НКУ СП ввода и измерения | |||
| НКУ СП главное распределительное | |||
| НКУ СП распределительное | НКУ СП распределительное | ||
| НКУ СП оконечное | НКУ СП оконечное | НКУ СП оконечное | НКУ СП оконечное | 
| | | | | | | | | 
| Э/приёмники | Э/приёмники | Э/приёмники | Э/приёмники | 
Потребление от питающей сети не более 63А.
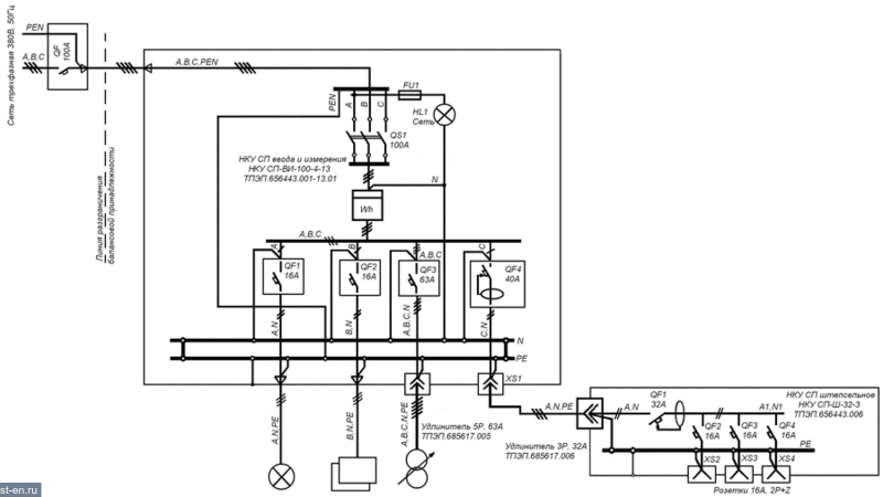
На рисунке 2 ввод трёхфазного напряжения 3x380 В, 50 Гц на стройплощадку осуществляется с помощью НКУ СП ввода и измерения НКУ СП-ВИ-100-4-13.01, чертёж ТПЭП.656443.001-13.01. В этом НКУ СП предусмотрено четыре блока вывода. К первому блоку вывода подключается осветительная сеть, ко второму — «бытовка», к третьему — через удлинитель сварочный трансформатор и к четвёртому — через удлинитель НКУ СП штепсельное НКУ СП-Ш-32-3, чертёж ТПЭП.656443.006, которое обеспечивает подключение электроинструмента в различных местах стройплощадки. Четвёртый блок вывода НКУ СП ввода и измерения выполнен на дифференциальном автомате с устройством защитного отключения.
Питающая сеть выполнена четырёхпроводной, А, В, C+PEN. В НКУ СП ввода и измерения эта сеть преобразуется в пятипроводную, A,B,C.N,PE
Потребление от питающей сети не более 100 А.
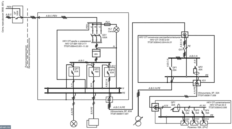
На рисунке 3 ввод трёхфазного напряжения 3x380 В, 50 Гц на стройплощадку осуществляется с помощью НКУ СП ввода и измерения НКУ СП-ВИ-100-3-11.00, чертёж ТПЭП.656443.001-11.00. В этом НКУ СП предусмотрено три блока вывода, К первому блоку вывода подключается осветительная сеть, ко второму — «бытовка», к третьему — через удлинитель — НКУ СП оконечное распределительное НКУ СП-К-63-2-04.01, чертёж ТПЭП.656443.004-04.01. К первому блоку вывода этого НКУ подключается сварочный трансформатор, а ко второму — через удлинитель НКУ СП штепсельное НКУ СП-Ш-32-3, чертёж ТПЭП.656443.006, которое обеспечивает подключение электроинструмента в различных местах стройплощадки. Второй блок вывода НКУ СП оконечного выполнен на дифференциальном автомате с устройством защитного отключения.
Питающая сеть выполнена четырехпроводной, А, В, C+PEN. В НКУ СП ввода и измерения эта сеть преобразуется в пятипроводную, A,B,CN,PE.
Потребление от питающей сети не более 100 А.
Временное электроснабжение малой стройки(сеть 220В, 50Гц, А+РЕN, ввод 63А)
Схема однолинейная
| Мощность расчётная, кВт | 3,5 | 3,5 | 7,2 | 
| Расчётный ток, А | 16 | 16 | 32 | 
| Наименование | Трансформатор сварочный | Освещение | Электроинструмент | 
Временное электроснабжение малой стройки(сеть 3х380В, 50Гц, А,В,С+РЕN, ввод 100А)
Схема однолинейная
| Мощность расчётная, кВт | 3,5 | 3,5 | 17 | 7,2 | 
| Расчётный ток, А | 16 | 16 | 32 | 32 | 
| Наименование | Освещение | Бытовка | Трансформатор сварочный | Электроинструмент | 
Временное электроснабжение малой стройки(сеть 3х380В, 50Гц, А,В,С+РЕN, ввод 100А)
Схема однолинейная
| Мощность расчётная, кВт | 3,5 | 3,5 | 17 | 7,2 | 
| Расчётный ток, А | 16 | 16 | 32 | 32 | 
| Наименование | Освещение | Бытовка | Трансформатор сварочный | Электроинструмент | 


