Стандарт Энерго

400120, г. Волгоград, ул. Елабужская, д. 64

тел: +7 (8442) 98-98-83; +7 (917) 338-98-83

e-mail: standart-energo@mail.ru

 
 
О Компании
Документы
Каталог
Вопросы
Галерея
Сертификаты

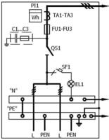
ВРУ-4СЭ-630-126-УХЛ4

Тип ВРУ-4СЭ Ном. ток. А Принципиальная схема Элементы на схеме Ширина панелей
Обоз. Наименование
ВРУ-4СЭ-630-126-УХЛ4 630 ВРУ-4СЭ-630-126-УХЛ4 PI1 Счетчик (учет общих нагрузок) 450
QS1 Блок — выключатели 630А
FU1-FU3 Предохранители 630А
SF1 Автоматические выключатели
EL1 Лампы накаливания
TA1-TA3 Трансформаторы тока 300/5…600/5
C1-C3 Конденсаторы

 

Яндекс.Метрика