Стандарт Энерго

400120, г. Волгоград, ул. Елабужская, д. 64

тел: +7 (8442) 98-98-83; +7 (917) 338-98-83

e-mail: standart-energo@mail.ru

 
 
О Компании
Документы
Каталог
Вопросы
Галерея
Сертификаты

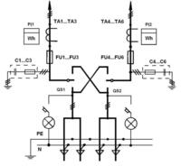
ВРУ-3-12-УХЛ4

Тип Номинальный ток Принципиальная схема первичных соединений Элементы на схеме
Обозначение Наименование
Вводные панели
ВРУ-3-12-УХЛ4 2х400А ВРУ-3-12-УХЛ4

FU1-FU6

PI1, PI2

QS1, QS2

TA1-TA6

C1-C6

Предохранители 400А

Счётчики (учёт общих нагрузок)

Переключатели 400А

Трансформаторы тока 400/5

Конденсаторы помехозащищающие

 

Яндекс.Метрика