Стандарт Энерго

400120, г. Волгоград, ул. Елабужская, д. 64

тел: +7 (8442) 98-98-83; +7 (917) 338-98-83

e-mail: standart-energo@mail.ru

 
 
О Компании
Документы
Каталог
Вопросы
Галерея
Сертификаты

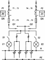
ВРУ1-11-10 УХЛ4

Тип ВРУ Кол-во ном. ток вводн. аппарата, А Принципиальная схема первичных соединений Элементы на схеме Автоматическое включение резерва
обозначение наименование наличие Рисунок схемы
Вводные панели
ВРУ1-11-10 УХЛ4 2х250А ВРУ1-11-10 УХЛ4 Т1-Т6
F1-F6
P1-P2

Q1-Q2
S1-S2

E1-E2
Трансформаторы тока 50/5…200/5А
Предохранители ПН-2 250А
Счётчики ЦЭ6803 5А (учёт общих нагрузок)
Переключатели ВД-1-355 250А
Автоматический выключатель ВА47-29 1р 6А
Лампы накаливания Е27

 

Яндекс.Метрика