Стандарт Энерго

400120, г. Волгоград, ул. Елабужская, д. 64

тел: +7 (8442) 98-98-83; +7 (917) 338-98-83

e-mail: standart-energo@mail.ru

 
 
О Компании
Документы
Каталог
Вопросы
Галерея
Сертификаты

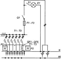
ВРУ1-27-60А/63А/64А/65А/66А УХЛ4

Тип ВРУ Принципиальная схема первичных соединений Элементы на схеме Блок управления освещением
обозначение наименование наличие Рисунок схемы
Вводно-распределительные панели
ВРУ1-27-60А УХЛ4 ВРУ1-27-60А/63А/64А/65А/66А УХЛ4 S1
E1
Q1
F1-F3
T1-T3
P1
P2
QF1-QF6
Автоматический выключатель ВА47-29 1р 6А
Лампы накаливания Е27
Выключатель ВР32 250А
Предохранители ПН-2 250А
Трансформаторы тока 50/5…200/5А
Счетчик ЦЭ6803 10-100А (учет домоуправленческих нагрузок)
Счетчик ЦЭ6803 5А (учет абонентских нагрузок)
Авт. выключатели АЕ2056 100А
Нет
ВРУ1-27-63А УХЛ4 Автоматический 14 групп Рис. 3.6
ВРУ1-27-64А УХЛ4 Неавтоматический 14 групп Рис. 3.7
ВРУ1-27-65А УХЛ4 Автоматический 8 групп Рис. 3.8
ВРУ1-27-66А УХЛ4 Неавтоматический 8 групп Рис. 3.9

 

Яндекс.Метрика