Стандарт Энерго

400120, г. Волгоград, ул. Елабужская, д. 64

тел: +7 (8442) 98-98-83; +7 (917) 338-98-83

e-mail: standart-energo@mail.ru

 
 
О Компании
Документы
Каталог
Вопросы
Галерея
Сертификаты
Каталог / Осветительные щитки / Щиты этажные ЩР

Схемы принципиальные электрические щитов типа ЩР

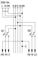
ЩР-62510, ЩР-64010
Щиты этажные
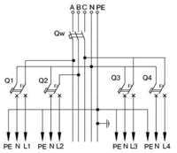
ЩР-42510, ЩР-44010
Щиты этажные
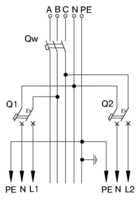
ЩР-32510, ЩР-34010
Щиты этажные
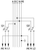
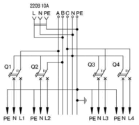
ЩР-22510, ЩР-24010
Щиты этажные
ЩР-62500, ЩР-64000
Щиты этажные
ЩР-42500, ЩР-44000
Щиты этажные
ЩР-32500, ЩР-34000
Щиты этажные
ЩР-22500, ЩР-24000
Щиты этажные
ЩР-42501, ЩР-44001
Щиты этажные
ЩР-32501, ЩР-34001
Щиты этажные
ЩР-22501, ЩР-24001
Щиты этажные

 

Яндекс.Метрика