Стандарт Энерго

400120, г. Волгоград, ул. Елабужская, д. 64

тел: +7 (8442) 98-98-83; +7 (917) 338-98-83

e-mail: standart-energo@mail.ru

 
 
О Компании
Документы
Каталог
Вопросы
Галерея
Сертификаты

Схемы ящиков серии УАВР - ЩАП

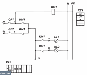
Принципиальная электрическая схема УАВР-ЩАП

1

Принципиальная электрическая схема УАВР-ЩАП12
Схемы ВРУ-4СЭ
Спецификация:
QF1, QF2 Авт. выключатель;
KM1, KM2 Контактор;
KV1 Реле контроля фаз;
HL1, HL2 Лампа сигнальная;
SF1, SF2 Авт. выкл. защиты цепи управления.
Спецификация:
QF1, QF2 Авт. выключатель;
KM1 Контактор;
HL1, HL2 Лампа сигнальная.

 

Яндекс.Метрика